Mastering The CD4053: Your Analog Multiplexer Guide

Hamptonroadscares 14 views
Mastering The CD4053: Your Analog Multiplexer Guide

Mastering the CD4053: Your Analog Multiplexer Guide

Hey there, fellow electronics enthusiasts! Ever found yourself staring at a circuit diagram, wondering how to manage multiple analog signals without a tangled mess of wires and switches? Or perhaps you’ve dreamt of digitally controlling which audio source plays through your speakers? Well, guys, get ready to have your minds blown, because today we’re diving deep into the world of a truly indispensable integrated circuit: the CD4053 analog multiplexer/demultiplexer . This little chip is a super handy component that often flies under the radar for beginners, but it’s an absolute game-changer for anyone looking to make their electronic projects smarter, cleaner, and way more efficient . Whether you’re a seasoned pro or just starting your journey into the fascinating realm of circuit design, understanding the CD4053 will unlock a whole new level of control and flexibility in your creations. It’s not just a switch; it’s a sophisticated signal manager, capable of routing various analog (and even some digital) signals with digital precision. We’re going to break down exactly what it is, how it works its magic, where you can use it to really shine, and give you some pro tips and tricks to master its implementation. So, grab your soldering iron and let’s get ready to make some awesome circuits!

What Exactly Is the CD4053? Unpacking the Basics

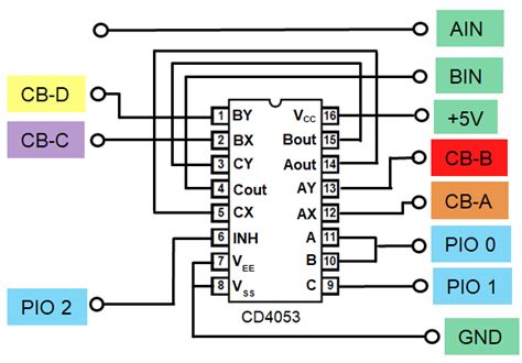
Let’s kick things off by really understanding what the CD4053 is all about. At its core, the CD4053 is a CMOS triple 2-channel analog multiplexer/demultiplexer . Whoa, that’s a mouthful, right? Let’s break it down. Basically, it’s like having three independent, digitally controlled switches packed into one neat little chip. Imagine you have several input signals – maybe from different sensors, various audio sources, or different voltage levels – and you want to connect just one of them to a single output at any given time. That, my friends, is multiplexing in action, and the CD4053 handles it beautifully. It’s a traffic cop for your analog signals, directing them exactly where they need to go, all controlled by simple digital logic signals from your microcontroller or other digital circuits. This capability is absolutely crucial for streamlining designs, reducing component count, and making your projects far more flexible and programmable. No more clunky mechanical switches that take up space and introduce noise; the CD4053 brings elegant digital control to your analog world. It’s part of the wider CD4000 series of CMOS logic chips, known for their robustness, wide operating voltage range , and low power consumption . You’ll find this chip acting as a workhorse in everything from consumer electronics like audio mixers and remote control systems, to industrial automation, and, of course, countless hobbyist projects. Its ability to selectively route signals allows you to design circuits that can adapt to different inputs or send data to different outputs with just a few lines of code. The CD4053 is essentially three SPDT (Single-Pole, Double-Throw) switches , meaning each of its three independent channels can connect a common line to one of two other lines. This versatility is a key differentiator, as it provides multiple switching options within a single IC. For example, you could be switching between three distinct audio inputs for a sound system, or sequentially reading data from three separate temperature sensors with a single analog-to-digital converter (ADC). This capability to optimize signal routing without a massive array of discrete components is precisely why the CD4053 analog multiplexer is such a treasured component. It moves the complexity from physical wiring to the digital domain, making your designs not only cleaner but also significantly more adaptable and reliable . Mastering this little marvel can truly elevate your electronic design skills, guys, and we’re just getting started on uncovering its full potential. Stick with us as we delve deeper into its features and operational prowess.

Let’s talk more about the key features that make the CD4053 analog multiplexer such a standout component in countless electronic designs. As mentioned, its triple SPDT configuration is incredibly powerful. You’re essentially getting three completely independent switches in one neat package, each capable of selecting between two inputs (or outputs) and routing them to a common line. This means you can manage three separate signal paths simultaneously, which is a huge advantage for complex systems. What truly makes the CD4053 shine is its reliance on digital select pins – A, B, and C – for control. These three pins, when set to a specific logic state (HIGH or LOW), determine which of the two paths within each switch is connected. For instance, pin A controls the first switch, B controls the second, and C controls the third. This digital control means you can easily interface the CD4053 with microcontrollers like Arduino, Raspberry Pi, or any other digital logic, allowing for automated and programmable signal routing. Beyond the select pins, there’s an Inhibit (INH) pin , which acts as a master enable/disable for all three channels. When the INH pin is held at a logic HIGH, all three switches are forced into an